Из чего состоят подшипниковые узлы
Подшипниковые узлы — необходимая часть механических устройств любого типа, где происходит вращательное движение. Они снижают нагрузки при работе машин, уменьшая трение и износ деталей изделия и повышая его КПД.
Элемент конструкции состоит:
- из однорядного шарикоподшипника с глубоким желобом и двумя уплотнениями;
- подшипникового корпуса, который может быть разной конфигурации и изготавливаться из чугуна, синтетического каучука или прессованной стали.
Подшипник со сферическим шлифованным наружным диаметром установлен в соответствующем сферическом гнезде корпуса, что обеспечивает самоцентровку подшипника в корпусе при монтаже.
Основные исполнения
В зависимости от вида подшипника различают узлы:
- На базе элементов скольжения:
- неразъемной, стационарной конструкции, с материалом корпуса чугунным;
- стационарного типа, залитые баббитом (бывают неразъемные и разъемные);
- с использованием фланца либо натяжного типа;
- стационарными, с использованием втулки;
- гидростатического и гидродинамического вида.
- На базе элементов качения различают два вида запорного механизма:
- устройство зажима винтового типа;
- кольцо запорное, по принципу эксцентрика.
Таблица с разными типами подшипниковых узлов
Тип UC
| Наименование | d, мм | D, мм | Bi, мм | Вес, кг |
|---|---|---|---|---|
| UC 201 | 12 | 47 | 31,0 | 0,21 |
| UC 202 | 15 | 47 | 31,0 | 0,190 |
| UC 203 | 17 | 47 | 31,0 | 0,180 |
| UC 204 | 20 | 47 | 31,0 | 0,160 |
| UC 205 | 25 | 52 | 34,0 | 0,190 |
| UC 206 | 30 | 62 | 38,1 | 0,310 |
| UC 207 | 35 | 72 | 42,9 | 0,480 |
| UC 208 | 40 | 80 | 49,2 | 0,620 |
| UC 209 | 45 | 85 | 49,2 | 0,670 |
| UC 210 | 50 | 90 | 51,6 | 0,780 |
| UC 211 | 55 | 100 | 55,6 | 1,030 |
| UC 212 | 60 | 110 | 65,1 | 1,450 |
| UC 213 | 65 | 120 | 65,1 | 1,710 |
| UC 214 | 70 | 125 | 74,6 | 2,060 |
| UC 215 | 75 | 130 | 77,8 | 2,220 |
| UC 216 | 80 | 140 | 82,6 | 2,820 |
| UC 217 | 85 | 150 | 85,7 | 3,380 |
| UC 218 | 90 | 160 | 96,0 | 4,340 |
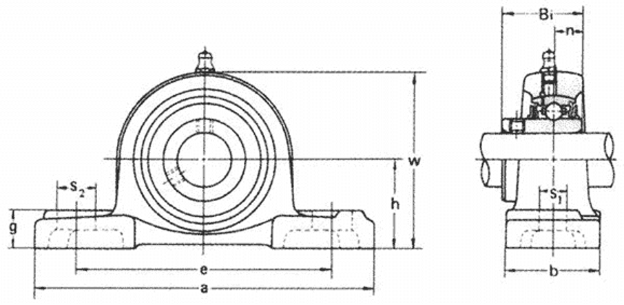
Тип UCP 200
Для нормальных условий эксплуатации. Крепление стопорными винтами
| Наименование | Диаметр вала, мм | h, мм | a, мм | e, мм | b, мм | s1, мм | s2, мм | g, мм | W, мм | Bi, мм | n, мм | Болт | Вес, кг |
|---|---|---|---|---|---|---|---|---|---|---|---|---|---|
| UCP201 | 12 | 30,2 | 127 | 96 | 38 | 13 | 19 | 15 | 62 | 31 | 12,7 | M10 | 0,6 |
| UCP202 | 15 | 30,2 | 127 | 96 | 38 | 13 | 19 | 15 | 62 | 31 | 12,7 | M10 | 0,6 |
| UCP203 | 17 | 30,2 | 127 | 96 | 38 | 13 | 19 | 15 | 62 | 31 | 12,7 | M10 | 0,6 |
| UCP204 | 20 | 33,3 | 127 | 95 | 38 | 13 | 19 | 15 | 65 | 31 | 12,7 | M10 | 0,7 |
| UCP205 | 25 | 36,5 | 140 | 105 | 38 | 13 | 16 | 17 | 70 | 34 | 14,3 | M10 | 0,8 |
| UCP206 | 30 | 42,9 | 165 | 121 | 48 | 17 | 21 | 18 | 83 | 38,1 | 15,9 | M14 | 1,3 |
| UCP207 | 35 | 47,6 | 167 | 127 | 48 | 17 | 21 | 19 | 94 | 42,9 | 17,5 | M14 | 1,6 |
| UCP208 | 40 | 49,2 | 184 | 137 | 54 | 17 | 25 | 19 | 100 | 49,2 | 19 | M14 | 2i |
| UCP209 | 45 | 54 | 190 | 146 | 54 | 17 | 22 | 20 | 108 | 49,2 | 19 | M14 | 2,3 |
| UCP210 | 50 | 57,2 | 206 | 159 | 60 | 20 | 25 | 22 | 114 | 51,6 | 19 | M16 | 2,7 |
| UCP211 | 55 | 63,5 | 219 | 171 | 60 | 20 | 25 | 22 | 126 | 55,5 | 22,2 | M17 | 3,3 |
| UCP212 | 60 | 69,8 | 241 | 184 | 70 | 20 | 25 | 25 | 138 | 65,1 | 25,4 | M18 | 4,7 |
| UCP213 | 65 | 76,2 | 265 | 203 | 70 | 25 | 29 | 27 | 150 | 65,1 | 25,4 | M20 | 5,6 |
| UCP214 | 70 | 79,4 | 266 | 210 | 72 | 25 | 31 | 27 | 156 | 74,6 | 30,2 | M20 | 7,3 |
| UCP215 | 75 | 82,6 | 275 | 217 | 74 | 25 | 31 | 28 | 163 | 77,8 | 33,3 | M20 | 7,9 |
| UCP216 | 80 | 88,9 | 292 | 232 | 78 | 25 | 31 | 30 | 175 | 82,6 | 33,3 | M20 | 10 |
| UCP217 | 85 | 95,2 | 310 | 247 | 83 | 25 | 31 | 32 | 187 | 85,7 | 34,1 | M20 | 12,2 |
| UCP218 | 90 | 101.6 | 237 | 262 | 88 | 22 | 33 | 34 | 200 | 96 | 39,7 | M10 | 14,7 |
Тип UCF
| Наименование | a, мм | e, мм | i, мм | g, мм | l, мм | s, мм | Z, мм | Bi, мм | n, мм | Болт | Вес, кг |
|---|---|---|---|---|---|---|---|---|---|---|---|
| UCF201 | 86 | 64 | 15 | 12 | 25,5 | 12 | 33,3 | 31,0 | 12,7 | M10 | 0,640 |
| UCF202 | 86 | 64 | 15 | 12 | 25,5 | 12 | 33,3 | 31,0 | 12,7 | M10 | 0,620 |
| UCF203 | 86 | 64 | 15 | 12 | 25,5 | 12 | 33,3 | 31,0 | 12,7 | M10 | 0,610 |
| UCF204 | 86 | 64 | 15 | 12 | 25,5 | 12 | 33,3 | 31,0 | 12,7 | M10 | 0,590 |
| UCF205 | 95 | 70 | 16 | 14 | 27,0 | 12 | 35,7 | 34,0 | 14,3 | M10 | 0,820 |
| UCF206 | 108 | 83 | 18 | 14 | 31,0 | 12 | 40,2 | 38,1 | 15,9 | M10 | 1,100 |
| UCF207 | 117 | 92 | 19 | 16 | 34,0 | 14 | 44,4 | 42,9 | 17,5 | M12 | 1,500 |
| UCF208 | 130 | 102 | 21 | 16 | 36,0 | 14 | 51,2 | 49,2 | 19,0 | M14 | 2,000 |
| UCF209 | 137 | 105 | 22 | 18 | 38,0 | 16 | 52,2 | 49,2 | 19,0 | M14 | 2,400 |
| UCF210 | 143 | 111 | 22 | 18 | 40,0 | 16 | 54,6 | 51,6 | 19,0 | M14 | 2,500 |
| UCF211 | 162 | 130 | 25 | 20 | 43,0 | 19 | 58,4 | 55,6 | 22,2 | M16 | 3,400 |
| UCF212 | 175 | 143 | 29 | 20 | 48,0 | 19 | 68,7 | 65,1 | 25,4 | M16 | 4,600 |
| UCF213 | 187 | 149 | 30 | 20 | 50,0 | 19 | 69,7 | 65,1 | 25,4 | M16 | 5,500 |
| UCF214 | 193 | 152 | 31 | 24 | 54,0 | 19 | 75,4 | 74,6 | 30,2 | M16 | 6,100 |
| UCF21S | 200 | 159 | 34 | 24 | 56,0 | 19 | 78,5 | 77,8 | 33,3 | M16 | 6,900 |
| UCF216 | 208 | 165 | 34 | 24 | 58,0 | 23 | 83,3 | 82,6 | 33,3 | M20 | 7,800 |
| UCF217 | 220 | 175 | 36 | 26 | 63,0 | 23 | 87,6 | 85,7 | 34,1 | M20 | 9,300 |
| UCF218 | 235 | 187 | 40 | 26 | 68 | 23 | 96,3 | 96 | 39,7 | M20 | 11,300 |
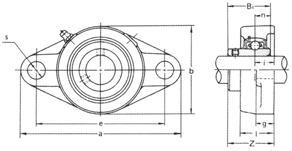
Тип UCFL
| Наименование | a, мм | e, мм | i, мм | g, мм | l, мм | s, мм | b, мм | z, мм | Bi, мм | n, мм | Болт | Вес, кг |
|---|---|---|---|---|---|---|---|---|---|---|---|---|
| UCFL201 | 113 | 90 | 15 | 12 | 25,5 | 12 | 60 | 33,3 | 31,0 | 12,70 | M10 | 0,500 |
| UCFL202 | 113 | 90 | 15 | 12 | 25,5 | 12 | 60 | 33,3 | 31,0 | 12,70 | M10 | 0,480 |
| UCFL203 | 113 | 90 | 15 | 12 | 25,5 | 12 | 60 | 33,3 | 31,0 | 12,70 | M10 | 0,470 |
| UCFL204 | 113 | 90 | 15 | 12 | 25,5 | 12 | 60 | 33,3 | 31,0 | 12,70 | M10 | 0,450 |
| UCFL205 | 130 | 99 | 16 | 14 | 27,0 | 16 | 68 | 35,7 | 34,0 | 14,33 | M14 | 0,630 |
| UCFL206 | 148 | 117 | 18 | 14 | 31,0 | 16 | 80 | 40,2 | 38,1 | 15,90 | M14 | 0,960 |
| UCFL207 | 161 | 130 | 19 | 16 | 34,0 | 16 | 90 | 44,4 | 42,0 | 17,50 | M14 | 1,200 |
| UCFL208 | 175 | 144 | 21 | 16 | 36,0 | 16 | 100 | 51,2 | 49,2 | 19,00 | M14 | 1,600 |
| UCFL209 | 188 | 148 | 22 | 18 | 38,0 | 19 | 108 | 52,2 | 49,2 | 19,00 | M16 | 1,900 |
| UCFL210 | 197 | 157 | 22 | 18 | 40,0 | 19 | 115 | 54,6 | 51,6 | 19,00 | M16 | 2,200 |
| UCFL211 | 224 | 184 | 25 | 20 | 43,0 | 19 | 130 | 58,4 | 55,6 | 22,20 | M16 | 3,200 |
| UCFL212 | 250 | 202 | 29 | 20 | 48,0 | 23 | 140 | 68,7 | 65,1 | 25,40 | M20 | 4,100 |
| UCFL213 | 258 | 210 | 30 | 24 | 50,0 | 23 | 155 | 69,7 | 65,1 | 25,40 | M20 | 5,100 |
| UCFL214 | 265 | 216 | 31 | 24 | 54,0 | 23 | 160 | 75,4 | 74,6 | 30,02 | M20 | 6,000 |
| UCFL215 | 275 | 225 | 34 | 24 | 56,0 | 23 | 165 | 78,5 | 77,8 | 33,30 | M20 | 6,500 |
| UCFL216 | 290 | 233 | 34 | 24 | 58,0 | 25 | 180 | 83,3 | 82,6 | 33,30 | M22 | 8,000 |
| UCFL217 | 305 | 248 | 36 | 26 | 63,0 | 25 | 190 | 85,7 | 85,7 | 34,10 | M22 | 9,500 |
| UCFL218 | 320 | 265 | 40 | 26 | 68 | 25 | 205 | 96 | 96,0 | 39,7 | M22 | 11,9 |
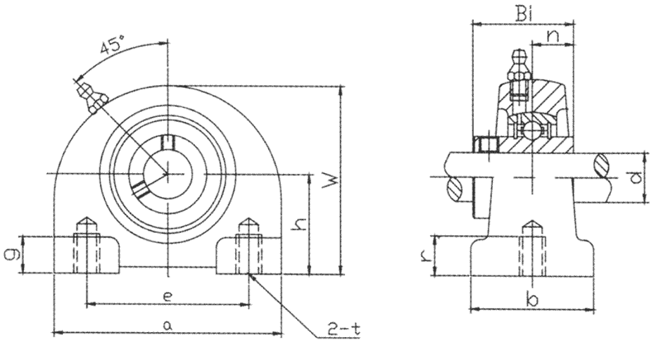
Тип UCPA
| Наименование | h, мм | a, мм | e, мм | b, мм | r, мм | g, мм | w, мм | Bi, мм | n, мм | Болт | Вес, кг |
|---|---|---|---|---|---|---|---|---|---|---|---|
| UCPA201 | 30,2 | 76 | 52 | 40 | 12 | 11 | 62 | 31,0 | 12,7 | M10x1,5 | 0,650 |
| UCPA202 | 30,2 | 76 | 52 | 40 | 12 | 11 | 62 | 31,0 | 12,7 | M10x1,5 | 0,630 |
| UCPA203 | 30,2 | 76 | 52 | 40 | 12 | 11 | 62 | 31,0 | 12,7 | M10x1,5 | 0,620 |
| UCPA204 | 30,2 | 76 | 52 | 40 | 12 | 11 | 62 | 31,0 | 12,7 | M10x1,5 | 0,600 |
| UCPA205 | 36,5 | 84 | 56 | 45 | 15 | 12 | 72 | 34,0 | 14,3 | M10x1,5 | 0,810 |
| UCPA206 | 42,9 | 94 | 66 | 50 | 18 | 12 | 84 | 38,1 | 15,9 | M14x2 | 1,200 |
| UCPA207 | 47,6 | 110 | 80 | 55 | 20 | 13 | 95 | 42,9 | 17,5 | M14x2 | 1,700 |
| UCPA208 | 49,2 | 116 | 84 | 58 | 20 | 13 | 100 | 49,2 | 19,0 | M14x2 | 1,900 |
| UCPA209 | 54,2 | 120 | 90 | 60 | 22 | 13 | 108 | 49,2 | 19,0 | M14x2 | 2,200 |
| UCPA210 | 57,2 | 130 | 94 | 64 | 25 | 14 | 116 | 51,6 | 19,0 | M16x2 | 2,600 |
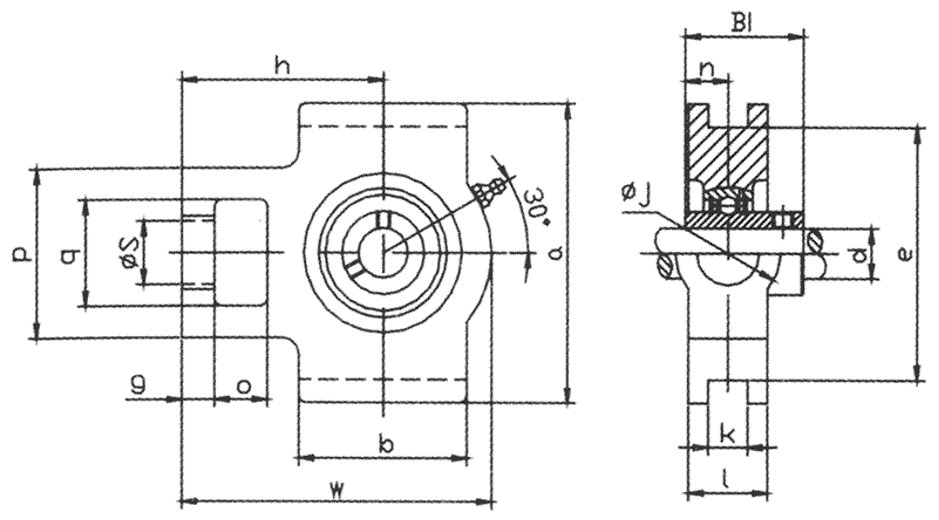
Тип UCT
| Наименование | o, мм | g, мм | P, мм | q, мм | S, мм | b, мм | k, мм | e, мм | a, мм | w, мм | i, мм | l, мм | h, мм | Bi, m | n, мм | Вес, кг |
|---|---|---|---|---|---|---|---|---|---|---|---|---|---|---|---|---|
| UCT201 | 16 | 10 | 51 | 32 | 19 | 51 | 12 | 76 | 89 | 94 | 32 | 21 | 61 | 31,0 | 12,7 | 0,790 |
| UCT202 | 16 | 10 | 51 | 32 | 19 | 0,51 | 12 | 76 | 89 | 94 | 32 | 21 | 61 | 31,0 | 12,7 | 0,770 |
| UCT203 | 16 | 10 | 51 | 32 | 19 | 51 | 12 | 76 | 89 | 94 | 32 | 21 | 61 | 31,0 | 12,7 | 0,760 |
| UCT204 | 16 | 10 | 51 | 32 | 19 | 51 | 12 | 76 | 89 | 94 | 32 | 21 | 61 | 31,0 | 12,7 | 0,790 |
| UCT205 | 16 | 10 | 51 | 32 | 19 | 51 | 12 | 76 | 89 | 97 | 32 | 24 | 62 | 34,0 | 14,3 | 0,820 |
| UCT206 | 16 | 10 | 56 | 37 | 22 | 57 | 12 | 89 | 102 | 113 | 37 | 28 | 70 | 38,1 | 15,9 | 1,300 |
| UCT207 | 16 | 13 | 64 | 37 | 22 | 64 | 12 | 89 | 102 | 129 | 37 | 30 | 78 | 42,9 | 17,5 | 1,600 |
| UCT208 | 19 | 16 | 83 | 49 | 29 | 83 | 16 | 102 | 114 | 144 | 49 | 33 | 88 | 49,2 | 19,0 | 2,400 |
| UCT209 | 19 | 16 | 83 | 49 | 29 | 83 | 16 | 102 | 117 | 144 | 49 | 35 | 87 | 49,2 | 19,0 | 2,400 |
| UCT210 | 19 | 16 | 83 | 49 | 29 | 86 | 16 | 102 | 117 | 149 | 49 | 37 | 90 | 51,6 | 19,0 | 2,500 |
| UCT211 | 25 | 19 | 102 | 64 | 35 | 95 | 22 | 130 | 146 | 171 | 64 | 38 | 106 | 55,6 | 22,2 | 4,000 |
| UCT212 | 32 | 19 | 102 | 64 | 35 | 102 | 22 | 130 | 146 | 194 | 64 | 42 | 119 | 65,1 | 25,4 | 5,100 |
| UCT213 | 32 | 21 | 111 | 70 | 41 | 121 | 26 | 151 | 167 | 224 | 70 | 44 | 137 | 65,1 | 25,4 | 7,000 |
| UCT214 | 32 | 21 | 111 | 70 | 41 | 121 | 26 | 151 | 167 | 224 | 70 | 46 | 137 | 74,6 | 30,2 | 7,100 |
| UCT215 | 32 | 21 | 111 | 70 | 41 | 121 | 26 | 151 | 167 | 232 | 70 | 48 | 140 | 77,8 | 33,3 | 7,500 |
| UCT216 | 32 | 21 | 111 | 70 | 41 | 121 | 26 | 165 | 184 | 235 | 70 | 51 | 140 | 82,6 | 33,3 | 8,500 |
| UCT217 | 38 | 29 | 124 | 73 | 48 | 157 | 30 | 173 | 198 | 260 | 73 | 54 | 162 | 85,7 | 34,1 | 11,200 |
Подшипники
Резинотехнические изделия (РТИ)
Системы линейного перемещения
Подшипниковые узлы
Втулки.jpeg)

.jpeg)
.jpeg)
.jpeg)
.jpeg)
.jpeg)




